Electric Quarter
Details
- Developer: Lovell Partnerships Ltd
- Location: Enfield, London
- Status: In Progress
Services
- Uncategorized
Electric Quarter
Details
- Developer: Lovell Partnerships Ltd
- Location: Enfield, London
- Status: In Progress
Services
- Uncategorized
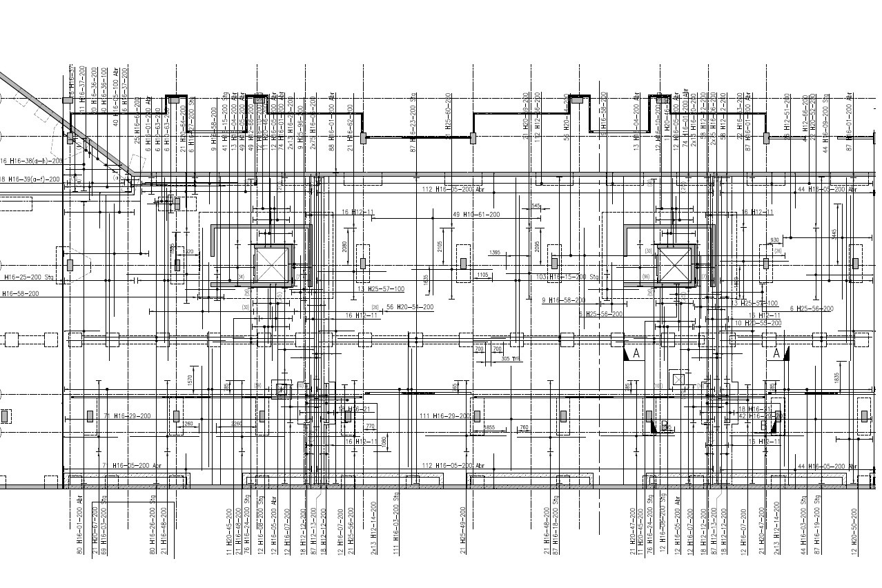
The proposed Electric Quarter development of the Middlesex University Campus for residential use comprised four blocks of community facilities, were constructed using R.C. floors of 3, 5, 6 and 7 storeys.
The surface water run off from the site utilised various SuDS techniques such as rain gardens, green and brown roofs, permeable paving and below ground attenuation crates.


Related Projects

Sansom Rd
The development at Sansom Road required the demolition of an existing 2 storey carpark in a residential area close to an above ground railway line.
Victoria Shopping Centre Clock Tower
The Victoria Centre is a shopping centre in the heart of Nottingham, and it occupies the site of the former Nottingham Victoria railway station. The station was demolished in 1967, except for two structures: the former station clock tower and the Victoria Station Hotel. These were the only elements of the original station preserved during the redevelopment.

Faraday Road
The development on Faraday Road involved the construction of three B8 24-hour operation warehouses, ancillary buildings, carparking and security enclosure.

Richmond Park
Surveys for a large residential development, Richmond Park in Kent, included setting out over 450 borehole locations for geotechnical investigation

Electric Quarter
The proposed Electric Quarter development of the Middlesex University Campus for residential use comprised four blocks of community facilities

AutoGlym, Letchworth
A measured building survey was commissioned for the refurbishment of the AutoGlym laboratory block. The survey included a street scene elevation
